|
公司基本資料信息
|
|||||||||||||||||||||||||||


HTF系列適用于賓館、體育館、學校、酒樓、商場、影劇院、禮堂、高級民用住宅和工礦企業等消防排煙及通風的場合。輸送空氣和其他不自燃、對鋼材無腐蝕性氣體,氣體內不允許有粘性物質,所含的塵土及硬質顆粒物不大于150mg/m³。作通風換氣時進氣溫度不得超過80°C,作消防用時,風機能在280°C的高溫條件下連續運行30分鐘以上。
根據需要亦可選用雙速電機,平時低速運行作通風換氣用,如一旦發生火災,通過電控系統自動切換成高速運行,在30分鐘內迅速排除煙氣,使火場內人員可安全撤離。
HTF-I 系列性能參數表(標準型)

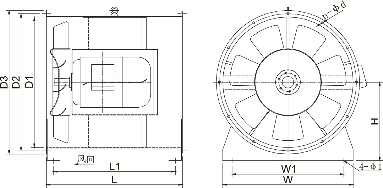
HTF-I 系列結構示意圖(標準型)

HTF-I 系列外形尺寸表(標準型)

HTF-I 系列性能參數表(低轉速)

HTF-I 系列結構示意圖(低轉速)

HTF-I 系列外形尺寸表(低轉速)

HTF-I 系列性能參數表(斜流式)

HTF-I 系列結構示意圖(斜流式)

HTF-I 系列外形尺寸表(斜流式)

HTF-II 系列性能參數表(雙功率)

HTF-II 系列結構示意圖(雙功率)

HTF-II 系列外形尺寸表(雙功率)

一、風機訂貨須知:
1、訂貨時必須說明風機類別,例如:離心排煙風機,離心排風風機,離心加壓風機,軸流排煙風機,軸流普通風機等功能。
2、訂貨時必須提供風機設計參數,風量、風壓、功率等重要參數。
3、訂貨時應提供離心風機的進出風口方向,表示法如圖:A、B、C
4、風機安裝空間有限,尺寸有特殊要求的訂貨時必須說明。
5、如機房墻及樓宇通道已封堵,需我司現場拼裝,請在訂貨時注明。
6、風機訂貨時要注明風機電源要求,380V 50HZ或220V 50HZ。
二、機組使用說明:
1、坐地式風機基礎,基礎尺寸建議每邊比機組外型尺寸大于100mm。
2、電機應接在有電機缺象保護器和過載保護器的電源上,5.5KW以下的電機可直接啟動;7.5KW以上的電機應降壓啟動。機殼應接地。
3、風機的電源為三相380V 50HZ。先檢查電源是否符合要求,有無缺相,三相是否平衡后方可與電機相接。接通后先啟動電機,檢查風機轉向是否正確,如轉向相反,應停機將電源相序改變,然后將電機電源正式接好。
4、風機進出風口與風道間用軟接頭連接。
5、新機運行一個月后,應檢查皮帶松緊程度及螺栓是否松動現象,如有發現應及時調整緊固,以免出現問題。
6、風機常年運行,帶座軸承潤滑脂應半年更換一次。常溫可用2#鋰基脂或同性能潤滑脂,高溫場合需用高溫潤滑脂。如果過渡季節停機,潤滑脂必須保證每年更換一次。